ZA205 III
Precio:
53.000,00 €
Impuestos excluidos
swiss type cnc lathe (Japan technics, no guide bush design,
Sell Torndo Tipo Swiss 5 AXES, Movable head (double spindle) Motorized tool with milling, drilling, turning, aligned, verical, horizontal, parallel. Many motorized tools. With LNS ASIA busbar
Sell Torndo Tipo Swiss 5 AXES, Movable head (double spindle) Motorized tool with milling, drilling, turning, aligned, verical, horizontal, parallel. Many motorized tools. With LNS ASIA busbar
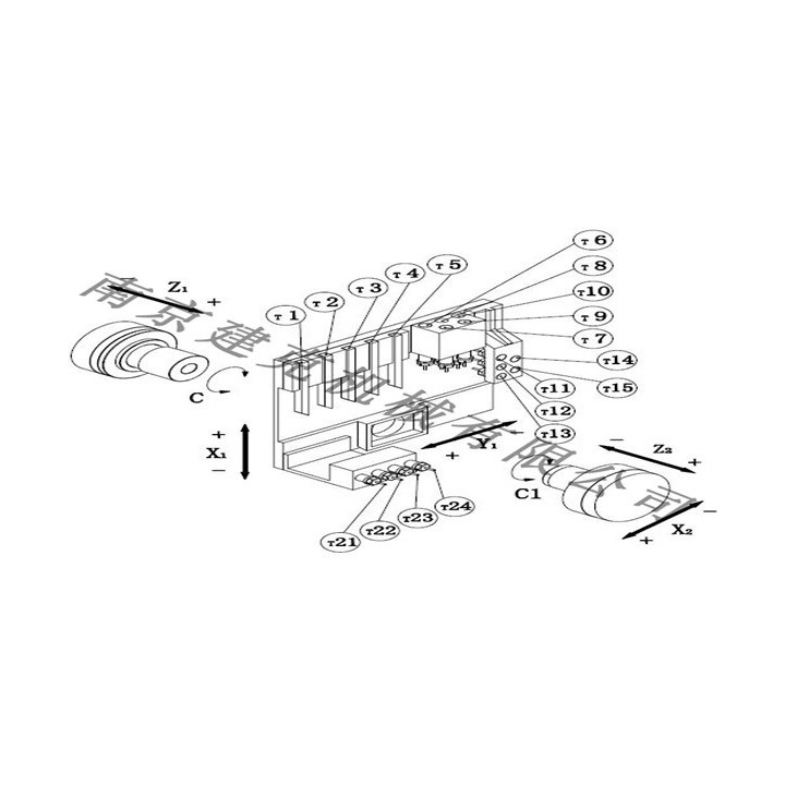
C: Structural Characteristics and List of accessories
1: Spindle and guide bush: synchronous linkage bushing structure, especially suitable for machining stainless steel material. Japan NSK into group bevel angle bearing group, with imports of spindle grease, to make sure that spindle and guide bush with high rigidity, high speed and high precision.
2: Bed Body: high-strength Meehanite cast iron (HT300), two times'aging treatment, Machine be accurately made to guarantee high precision.
3: Guide rail: Japan THK high precision dual rows linear guide, (precision) rolling guide, preload installation, achieve zero transmission gap.
4: Ball screw: Japan THK high precision level grinding grade ball screw. and gapless metal motor spring coupling (diaphragm type), high precision and low noise.
5: Screw bearing: Japan NSK into group high precision ball screw bearings.
6: Control system: Taiwan SYNTEC system, Or Fanuc system (price USD8100).
7: Splice moving cylinders with a flow regulating device, oil-water separator.
8: Spindle servo motor: Japan Yaskawa 9: Spindle motor power: Servo 3KW
10: Spindle controller: Japan Yaskawa 11: Contactor and electrical switch: DELIXI
12: Relays: Japan OMRON 13: Travel switch: Japan OMRON
14: Pneumatic system: Solenoid valve, pneumatic cylinder is ZULIN, Air Source Treatment FR.L is ZULIN pneumatic.
15: Cooling system: Large volume, can be shifted out, sufficiently cool, easy to clean, it can meet different working conditions.
16: Metal chipping box: chip box with large volume can be shifted out, easy to clean.
17: Lubrication: Japan Valley brand forced lubrication system, can lubricate the screw and rail fully to make the life long.
18: Protect: Integral closed protective cover, processing area is completely isolated with the operator to ensure the safety.
19: Tool arrangement with single row control (X.Y) of row tool turret, simple structure, quick to change tools and high reliability.
20: Tool Holder: 5 pieces of single row tool holder, Mainly used for machining cylindrical shaft machining, cutting, chamfering, metal chips easy to clean, high efficiency.
21: face end non-rotating tools: 4 pieces of tools, used for drilling, tapping and boring process
22: Milling and Drilling power head: 2 pieces of ER16 + 3 pieces of ER11, bearings adopt P4 class into groups high speed beveled spindle bearings.
23: Sheet metal: excellent way of discharge oil and large area for cutting.
24: Rotary guide sleeve: Adopt Japan
1: Spindle and guide bush: synchronous linkage bushing structure, especially suitable for machining stainless steel material. Japan NSK into group bevel angle bearing group, with imports of spindle grease, to make sure that spindle and guide bush with high rigidity, high speed and high precision.
2: Bed Body: high-strength Meehanite cast iron (HT300), two times'aging treatment, Machine be accurately made to guarantee high precision.
3: Guide rail: Japan THK high precision dual rows linear guide, (precision) rolling guide, preload installation, achieve zero transmission gap.
4: Ball screw: Japan THK high precision level grinding grade ball screw. and gapless metal motor spring coupling (diaphragm type), high precision and low noise.
5: Screw bearing: Japan NSK into group high precision ball screw bearings.
6: Control system: Taiwan SYNTEC system, Or Fanuc system (price USD8100).
7: Splice moving cylinders with a flow regulating device, oil-water separator.
8: Spindle servo motor: Japan Yaskawa 9: Spindle motor power: Servo 3KW
10: Spindle controller: Japan Yaskawa 11: Contactor and electrical switch: DELIXI
12: Relays: Japan OMRON 13: Travel switch: Japan OMRON
14: Pneumatic system: Solenoid valve, pneumatic cylinder is ZULIN, Air Source Treatment FR.L is ZULIN pneumatic.
15: Cooling system: Large volume, can be shifted out, sufficiently cool, easy to clean, it can meet different working conditions.
16: Metal chipping box: chip box with large volume can be shifted out, easy to clean.
17: Lubrication: Japan Valley brand forced lubrication system, can lubricate the screw and rail fully to make the life long.
18: Protect: Integral closed protective cover, processing area is completely isolated with the operator to ensure the safety.
19: Tool arrangement with single row control (X.Y) of row tool turret, simple structure, quick to change tools and high reliability.
20: Tool Holder: 5 pieces of single row tool holder, Mainly used for machining cylindrical shaft machining, cutting, chamfering, metal chips easy to clean, high efficiency.
21: face end non-rotating tools: 4 pieces of tools, used for drilling, tapping and boring process
22: Milling and Drilling power head: 2 pieces of ER16 + 3 pieces of ER11, bearings adopt P4 class into groups high speed beveled spindle bearings.
23: Sheet metal: excellent way of discharge oil and large area for cutting.
24: Rotary guide sleeve: Adopt Japan
(editar con el módulo de Información de seguridad y confianza para el cliente)
(editar con el módulo de Información de seguridad y confianza para el cliente)
(editar con el módulo de Información de seguridad y confianza para el cliente)
4 productos más en la misma categoría
SAS 8/160
Valorado de 5 estrellas basado en
reseña(s)
TORNO DE CABEZAL MOVIL BECHLER AS-10 (Con cargador Automático TRAUB)
Valorado de 5 estrellas basado en
reseña(s)
TORNO DE CABEZAL MOVIL FREXTORN PR-21
Valorado de 5 estrellas basado en
reseña(s)
Productos más vistos
LVD 220/300
Valorado de 5 estrellas basado en
reseña(s)
Prensa Neumatica para aluminio marca AYU
Valorado de 5 estrellas basado en
reseña(s)
Europe Elektra 300
Valorado de 5 estrellas basado en
reseña(s)
Comentarios (0)
Su agradecimiento a la reseña no pudo ser enviado
Reportar comentario
Reporte enviado
Su reporte no pudo ser enviado