ZA205 III
Price:
53.000,00
Tax excluded
İsviçre tipi cnc torna (Japonya teknikleri, kılavuz burcu tasarımı yok,
Torndo Tipo İsviçreli 5 AXES, Hareketli başlık (çift milli) Freze, delme, tornalama, hizalama, yatay, paralel, motorlu takım. Birçok motorlu araçlar. LNS ASIA ile bara
Torndo Tipo İsviçreli 5 AXES, Hareketli başlık (çift milli) Freze, delme, tornalama, hizalama, yatay, paralel, motorlu takım. Birçok motorlu araçlar. LNS ASIA ile bara
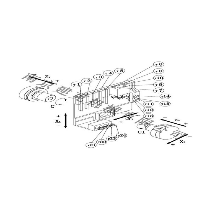
C: Yapısal Özellikler ve aksesuarların listesi
1: Mil ve kılavuz burcu: senkronize bağlantı burç yapısı, özellikle paslanmaz çelik malzemenin işlenmesi için uygundur. Japonya NSK yüksek sertlik, yüksek hız ve yüksek hassasiyet ile iğ ve kılavuz çalı olduğundan emin olmak için, mil gres ithalatı ile, grup konik açı rulman grubu içine.
2: Yatak Gövdesi: yüksek mukavemetli Meehanite dökme demir (HT300), iki kez kullanım tedavisi, Makine yüksek hassasiyetle garanti edilmek üzere doğru bir şekilde üretilmiştir.
3: Kılavuz rayı: Japonya THK yüksek hassasiyetli çift sıralı lineer kılavuz, (hassas) yuvarlanma kılavuzu, ön yükleme kurulumu, sıfır iletim boşluğu elde edin.
4: Vidalı: Japonya THK yüksek hassasiyetli seviye taşlama sınıf vidalı. ve boşluksuz metal motor yayı kaplin (diyafram tipi), yüksek hassasiyet ve düşük gürültü.
5: Vidalı rulman: Japonya NSK grup yüksek hassasiyetli vidalı rulmanlar içine.
6: Kontrol sistemi: Tayvan SYNTEC sistemi, Veya Fanuc sistemi (fiyat USD8100).
7: Bir akış düzenleme cihazı, yağ-su ayırıcı ile ek hareketli silindirler.
8: Mil servo motor: Japonya Yaskawa 9: Mil motor gücü: Servo 3KW
10: Mil denetleyicisi: Japonya Yaskawa 11: Kontaktör ve elektrik anahtarı: DELIXI
12: Röleler: Japonya OMRON 13: Seyahat anahtarı: Japonya OMRON
14: Pnömatik sistem: Solenoid valf, pnömatik silindir ZULIN, Hava Kaynak Tedavi FR.L, ZULIN pnömatik.
15: Soğutma sistemi: Büyük hacimli, dışarı kaydırılabilir, yeterince serin, temizlenmesi kolay, farklı çalışma koşullarını karşılayabilir.
16: Metal yongalama kutusu: büyük hacimli çip kutusu, kolay temizlenebilir, dışarı kaydırılabilir.
17: Yağlama: Japan Valley marka zorla yağlama sistemi, ömrünü uzatmak için vida ve rayı tamamen yağlayabilir.
18: Koruyun: Entegre kapalı koruyucu kapak, güvenliğin sağlanması için işlem alanı tamamen operatör ile izole edilir.
19: Sıra takım taretinin tek sıra kontrolü (X.Y) ile takım düzeni, basit yapı, araçları değiştirmek ve yüksek güvenilirlik.
20: Takım Tutucu: 5 adet tek sıralı takım tutucu, Esasen silindirik şaft işleme, kesme, pah kırma, metal yongaları temizlemesi kolay, yüksek verimlilik için kullanılır.
21: yüz dönmeyen dönmeyen aletler: sondaj, kılavuz çekme ve sondaj işlemi için kullanılan 4 adet takım
22: Freze ve Delme güç kafası: 2 adet ER16 + 3 adet ER11, rulmanlar P4 sınıfını yüksek hızlı eğimli mil yataklarına uyarlar.
23: Sac metal: mükemmel tahliye yağı yolu ve kesim için geniş alan.
24: Döner kılavuz kovanı: Japonya'yı benimseyin
1: Mil ve kılavuz burcu: senkronize bağlantı burç yapısı, özellikle paslanmaz çelik malzemenin işlenmesi için uygundur. Japonya NSK yüksek sertlik, yüksek hız ve yüksek hassasiyet ile iğ ve kılavuz çalı olduğundan emin olmak için, mil gres ithalatı ile, grup konik açı rulman grubu içine.
2: Yatak Gövdesi: yüksek mukavemetli Meehanite dökme demir (HT300), iki kez kullanım tedavisi, Makine yüksek hassasiyetle garanti edilmek üzere doğru bir şekilde üretilmiştir.
3: Kılavuz rayı: Japonya THK yüksek hassasiyetli çift sıralı lineer kılavuz, (hassas) yuvarlanma kılavuzu, ön yükleme kurulumu, sıfır iletim boşluğu elde edin.
4: Vidalı: Japonya THK yüksek hassasiyetli seviye taşlama sınıf vidalı. ve boşluksuz metal motor yayı kaplin (diyafram tipi), yüksek hassasiyet ve düşük gürültü.
5: Vidalı rulman: Japonya NSK grup yüksek hassasiyetli vidalı rulmanlar içine.
6: Kontrol sistemi: Tayvan SYNTEC sistemi, Veya Fanuc sistemi (fiyat USD8100).
7: Bir akış düzenleme cihazı, yağ-su ayırıcı ile ek hareketli silindirler.
8: Mil servo motor: Japonya Yaskawa 9: Mil motor gücü: Servo 3KW
10: Mil denetleyicisi: Japonya Yaskawa 11: Kontaktör ve elektrik anahtarı: DELIXI
12: Röleler: Japonya OMRON 13: Seyahat anahtarı: Japonya OMRON
14: Pnömatik sistem: Solenoid valf, pnömatik silindir ZULIN, Hava Kaynak Tedavi FR.L, ZULIN pnömatik.
15: Soğutma sistemi: Büyük hacimli, dışarı kaydırılabilir, yeterince serin, temizlenmesi kolay, farklı çalışma koşullarını karşılayabilir.
16: Metal yongalama kutusu: büyük hacimli çip kutusu, kolay temizlenebilir, dışarı kaydırılabilir.
17: Yağlama: Japan Valley marka zorla yağlama sistemi, ömrünü uzatmak için vida ve rayı tamamen yağlayabilir.
18: Koruyun: Entegre kapalı koruyucu kapak, güvenliğin sağlanması için işlem alanı tamamen operatör ile izole edilir.
19: Sıra takım taretinin tek sıra kontrolü (X.Y) ile takım düzeni, basit yapı, araçları değiştirmek ve yüksek güvenilirlik.
20: Takım Tutucu: 5 adet tek sıralı takım tutucu, Esasen silindirik şaft işleme, kesme, pah kırma, metal yongaları temizlemesi kolay, yüksek verimlilik için kullanılır.
21: yüz dönmeyen dönmeyen aletler: sondaj, kılavuz çekme ve sondaj işlemi için kullanılan 4 adet takım
22: Freze ve Delme güç kafası: 2 adet ER16 + 3 adet ER11, rulmanlar P4 sınıfını yüksek hızlı eğimli mil yataklarına uyarlar.
23: Sac metal: mükemmel tahliye yağı yolu ve kesim için geniş alan.
24: Döner kılavuz kovanı: Japonya'yı benimseyin
(editar con el módulo de Información de seguridad y confianza para el cliente)
(editar con el módulo de Información de seguridad y confianza para el cliente)
(editar con el módulo de Información de seguridad y confianza para el cliente)
4 other products in the same category
MOBİL FREXTORN PR-21 ETRAFINDA BAŞ
Rated out of 5 stars based on
review(s)
SPRY25 NC
Rated out of 5 stars based on
review(s)
Comments (0)
Your review appreciation cannot be sent
Report comment
Report sent
Your report cannot be sent